欢迎进入泰安启程车轮制造有限公司网站!
企业邮箱
OA系统
中文版
英文版
微信公众号
移动端二维码
网站首页
走进启程
公司简介
企业文化
党群建设
资质证书
荣誉展示
产品中心
新闻中心
公司要闻
媒体报道
行业资讯
通知公告
贸易预警
人力资源
用人理念
人才招聘
联系我们
通知公告
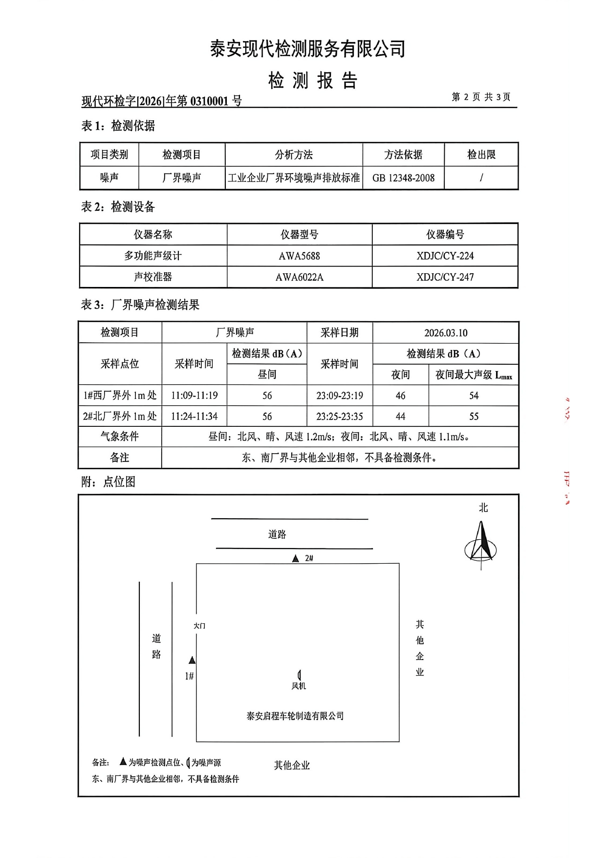
泰安启程车轮制造有限公司2026年3月份环境污染物排放检测报告
发布时间:[2026-4-29 9:30:49] 浏览量:2次
没有了
下一篇
0538-5059201
qicheng@qcwheel.com
关闭